Дизельный вилочный погрузчик TRF D70-3M
Тип двигателя: дизельный
Грузоподъемность: 7000 кг
Высота подъема: 3000 мм
Грузоподъемность: 7000 кг
Высота подъема: 3000 мм
Дизельный вилочный погрузчик TRF D70-3M
Дизельный вилочный погрузчик TRF D70-3M - мощное решение для тяжёлых задач
Дизельный вилочный погрузчик TRF D70-3M - это производительная и надёжная спецтехника с номинальной грузоподъёмностью 7000 кг, созданная для интенсивной эксплуатации в складских комплексах, на промышленных объектах, логистических терминалах и строительных площадках.
Области применения
- Склады и логистические центры - подъём и транспортировка тяжёлых паллет и крупногабаритных грузов.
- Производственные предприятия - перемещение материалов и готовой продукции.
- Строительство и стройплощадки - погрузочно-разгрузочные работы со строительными материалами.
- Открытые площадки - высокая проходимость и мощность позволяют работать вне помещений.
Преимущества TRF D70-3M
- Мощность и надёжность - дизельный двигатель от Mitsubishi обеспечивает стабильную работу даже при максимальных нагрузках.
- Высокая производительность - быстрый подъём и движение позволяют оптимизировать процессы погрузки и транспортировки груза.
- Устойчивость и проходимость - высокая грузоподъёмность в сочетании с хорошим клиренсом делает технику эффективной на разных покрытиях.
- Универсальное применение - подходит как для закрытых помещений, так и для открытых площадок.
- Надёжность от производителя - гарантийное обслуживание обеспечивает уверенность в эксплуатации техники.
Артикул
TRF D70-3M
Производитель
Производство
Китай
Вес, кг
9540
Тип двигателя
дизельный
Модель двигателя
S6S-Y3T
Мощность двигателя
86 л.с.
Тип
четырёхопорный
Скорость движения
29 км/ч
Емкость топливного бака
140 л
Грузоподъемность, кг
7000
Производитель двигателя
MITSUBISHI (Япония)
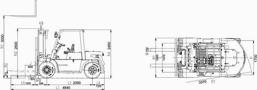
Клиренс, мм
200
Преодолеваемый уклон макс. (без вибрации), %
20
Высота подъема, мм
3000
Высота в сложенном положении, мм
2500
Внешний радиус разворота, мм
3370
Габаритная ширина, мм
1995
Скорость опускания (с грузом/без груза), мм/с
400/390
Центр тяжести, мм
600
Свободный ход
211
Скорость подъема (с грузом/без груза), мм/с
500 / 530
Размер передних/задних шин
8.25-15-14PR/8.25-15-14PR
Похожие товары
Тип двигателя: дизельный
Грузоподъемность: 5000 кг
Высота подъема: 3000 мм
Не указана цена за 1
Нет в наличии
Тип двигателя: дизельный
Грузоподъемность: 2000 кг
Высота подъема: 3000 мм
Не указана цена за 1
Нет в наличии
Тип двигателя: дизельный
Грузоподъемность: 10000 кг
Высота подъема: 3000 мм
Не указана цена за 1
Нет в наличии
Тип двигателя: дизельный
Грузоподъемность: 1500 кг
Высота подъема: 3000 мм
Не указана цена за 1
Нет в наличии


